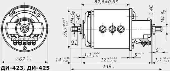
Сельсин ДИ-423
смотреть другие контактные сельсины
| Частота: | 500±15 Гц |
| Потребляемый ток: | 0,5 А |
| Напряжение: | 110±5,5 Гц |
| Потребляемая мощность: | 22 Вт |
| Масса: | 1,2 кг |
смотреть другие контактные сельсины
| Частота: | 500±15 Гц |
| Потребляемый ток: | 0,5 А |
| Напряжение: | 110±5,5 Гц |
| Потребляемая мощность: | 22 Вт |
| Масса: | 1,2 кг |