Get Adobe Flash player

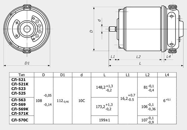
Электродвигатель СЛ-523

Электродвигатель СЛ-523

смотреть другие электродвигатели постоянного тока

Примечание стабилизированной скорости
Тип возбуждения двигателя: параллельное
Напряжение: 110 В
Потребляемый ток: 1,2 А
Полезная мощность: 74 В
Частота вращения,мин-1: 3000-3800
Номинально вращающий момент на валу,Н*м (гс*см): 0,235 (2400)

Запросить цену

Электродвигатель СЛ-523